027-85580688
首页
软件介绍
总体
砼箱梁
钢箱梁
下部结构
附属工程
结构计算
BIM技术
核心技术
智能窗体
数据模板
动态图形
自动排版
普通钢筋避开预应力
CAD三维钢筋图
最新动态
公司动态
软件更新
软件教程
下载注册
技术支持
软件介绍
总体
砼箱梁
钢箱梁
下部结构
附属工程
结构计算
BIM技术
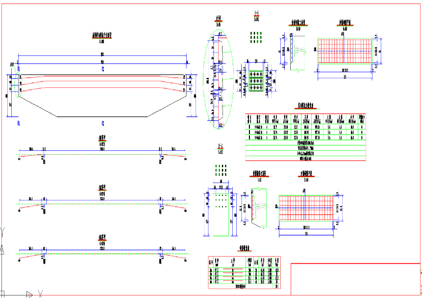
挡块、垫石、盖梁、系梁、墩身、承台、桩基钢筋图、下部结构各部三维钢筋模型
★盖梁(高低墩盖梁)钢筋图
★盖梁横向预应力图
★桥墩钢筋渲染图
★墩身钢筋图
★档块、垫石钢筋图
★承台钢筋图
首 页
软件介绍
总体
砼箱梁
钢箱梁
下部结构
附属工程
结构计算
BIM技术
核心技术
智能窗体
数据模板
动态图形
自动排版
普通钢筋避开预应力
CAD三维钢筋图
最新动态
公司动态
软件更新
软件教程
下载注册
技术支持